

- 1Gbps Ethernet interface , max 100m transmission
- 128MB on-board frame buffer
- Support multiple image data formats
- Conform to CE, FCC, RoHS certifications
- Software trigger /Hardware trigger/Free run mode
- Compatible with GigE Vision V2.0 protocol
and GenICam standard

- Defect inspection
- SMT
- Vision localization
- Dimension measurement
- Barcode reading
- VR/AR
- Logistic Industry
| Family | iRAYPLE |
|---|---|
| Partnumber | AHS130MG000E |
| Resolution | 1.3 Megapixel |
| Resolution(H*V) | 1280 x 1024 pixel |
| Sensor | Sony IMX 990 |
| Sensor size(Image Circle) | 8.2 mm |
| Sensor Format(Inch) | 1/2" |
| Turbodrive Frame Rate | |
| Frame Rate | 92 fps |
| Pixel Size | 5 μm |
| Interface | GigE |
| Spectrum | Mono+SWIR |
| Readout Method | Global |
| Dynamic Range | 56 dB |
| Sensor type | CMOS |
| Mount | C |
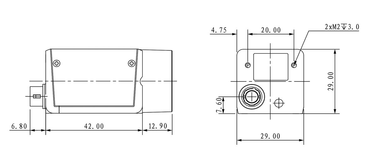
| Size | 29 x 29 x 42 mm |
| Maker | Huaray |