


- USB3.0 interface, 10Gbps theoretical transfer bandwidth, power supply via USB interface
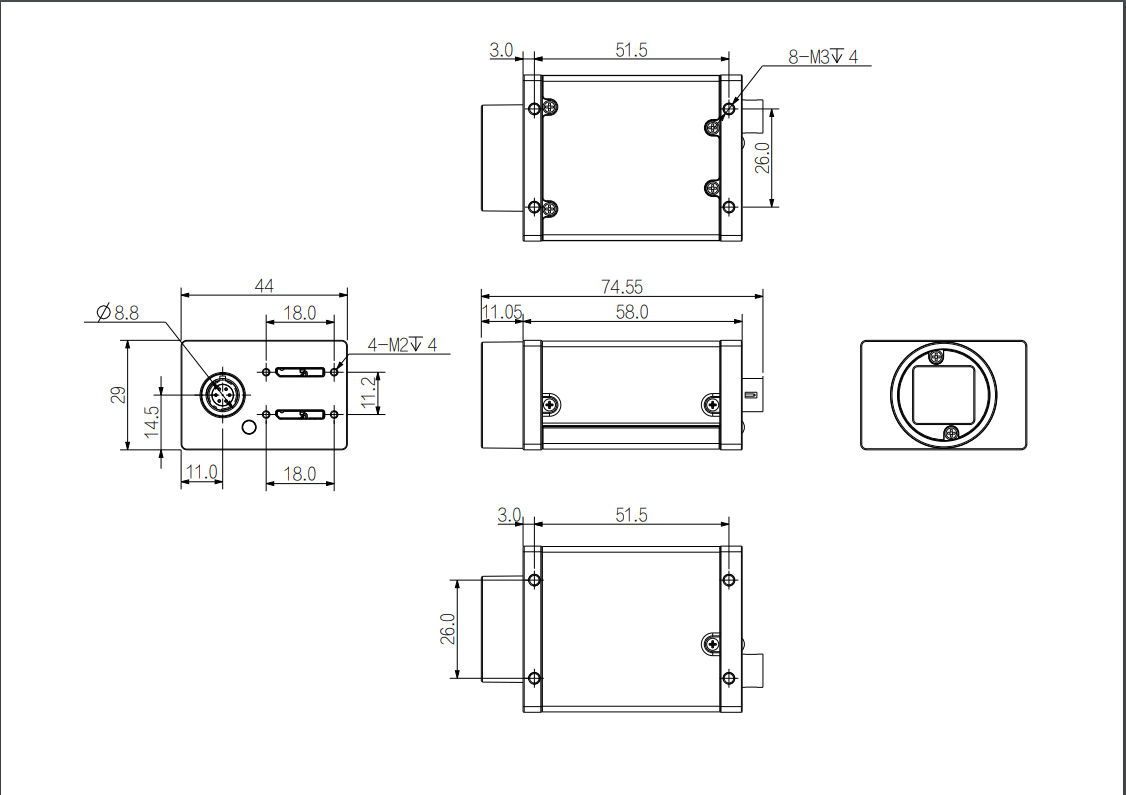
- Compact size of 29mm*44mm*58mm
- 256MB on-board cache for data transmission or image resend
- Support Software Trigger/Hardware Trigger/Free Run Mode
- Support ISP functions including Sharpness/Denoising/Gamma/LUT/BlackLevel Correction/TargetBrightness/Contrast etc.
- Support multiple image data formats output/ROI/Mirror, etc.
- Compatible with USB3.0 Vision protocol and GenICam standard
- Conform to CE, UKCA, UL, KC, RoHS

- Defect inspection
- SMT
- Vision localization
- Dimension measurement
- Barcode reading
- VR/AR
- Logistic Industry
| Family | iRAYPLE |
|---|---|
| Partnumber | AH5B57MV200E |
| Resolution | 25 Megapixel |
| Resolution(H*V) | 5120 x 5120 pixel |
| Sensor | Gpixel GMAX 0505 |
| Sensor size(Image Circle) | 18.1 mm |
| Sensor Format(Inch) | 1.1" |
| Turbodrive Frame Rate | |
| Frame Rate | 30 fps |
| Pixel Size | 2.5 μm |
| Interface | USB 3.0 x 2 |
| Spectrum | Mono |
| Readout Method | Global |
| Dynamic Range | >64 dB |
| Sensor type | CMOS |
| Mount | C |
| Size | 29 x 44 x 58 mm |
| Maker | Huaray |
| 구분 | 파일명 | 다운로드 |
|---|---|---|
| 카달로그 | [2025년] 앤비젼 전제품 카달로그 | ![]() |
| 데이터시트 | [2025년] HuaRay iRAYPLE 25M Mono, USB 3.0 Datasheet | ![]() |
| 3D 도면 | [2025년] HuaRay iRAYPLE 29x44x58(3040) USB 3D 도면 | ![]() |